地磅基础施工图怎么看?看不懂,今天我们学习地磅基础图识图


以下是地磅基础施工图,今天我就一同学习下吧,偶然一个粉丝提问,柱子的高度是多高?怎么做?是先施工柱子还是先施工梁?大家说说自己的看法吧?图纸他已经发过来,一同回答下他的这个难题,项目现场管理说先施工柱子然后再绑扎梁,但是这个粉丝就是看不懂,搞不明白了,你们知道吗?
拿到这个图纸,我看了一眼,也是第一次看地磅图纸,但是我就把项目管理人员否决了,你知道为什么嘛?

平面图

平面图放大-左侧

平面图放大-右侧
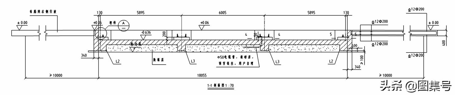
看完平面图,我们综合分析到,此基础长四周+平直段,宽2轴即是AB轴,底板配筋φ16@300双层双向配筋。

1-1剖面图


1-1剖面图左侧

1-1剖面图右侧
以下是其他细部节点图:




那么D1和D2的标高是多少呢?他们基础底部在哪里?

从这个图纸,我们可以看出,D1和D2的柱墩主筋直径锚固L1的梁400 mm以内,那么就是柱子的基础底部是以梁为基础的,结合墙面底部是梁板,初步就可以断定,此基础就是梁板的筏板基础。那么我就直接否定了管理人员的错误指挥,而L1和L2的截面信息是什么?我们接着分析。



从上截面图,可看出L1是800*800,L2是900*1496,L3是600*800。

细部节点
同时我们从这个细部节点,可以看出柱墩的构造,其中顶部标高为-0.436,完成面标高,然此处注意有个二次灌缝55mm,我叮嘱千万注意施工预留,因为钢板需要二次调整,而柱墩钢筋底标高就是-0.436m-200mm-400mm。你们学会了吗?
最后粉丝还对我表示感谢,这其实没什么,相互帮助吗,希望你们也能学到知识,有不懂的可以相互切磋哦!

