常山县火车站改扩建工程即将启动高铁江山站新站主体工程结顶衢州2个火车站改扩建工程最新消息来了↓↓↓常山火车站改扩建工程即将启动经上级部门批准,常山县火车站将于3月10日起正式启动改扩建工程。施工时间2025年3月10日至2025年11月30日(具体时间视施工情况可能有所调整)。
为进一步优化公安工作与市区“两城两区”架构的匹配度,理顺治安管理职责边界,提高公安机关护航发展、服务经济、打击犯罪、保障民生的能力水平,使公安体制改革成果惠及更多人民群众、市场主体,经市委市政府同意,市公安局决定对市本级公安机关治安管辖区域进行调整。
高铁来到衢州火车站今年七月一日起我国铁路实行新的运行图,衢州旅客发现停靠在衢州站的D字头和G字头的列车越来越多,这是因为衢州火车站站台扩容改造工程完工以后可以容纳更多动车组和高铁列车。使得乘客出行有更多的选择,将更为安全、便捷。
6月15日零时起全国铁路将实施第三季度列车运行图调图后衢州站将迎来哪些变化一起来看看——01停运车次G1658厦门北-上海虹桥 20:27-20:29G1376昆明南-上海虹桥 20:32-20:34K648北京-福州 10:28-10:5902增开车次G2348长沙南-台州西1
24日,记者从衢州火车站得知,26日零点开始,衢州火车站将启用临时火车站,普速列车、高铁列车将全部搬迁至原候车室东侧的临时候车室作业。售票厅也一同搬迁至临时候车室东面。临时候车室启用后,公交车、出租车及社会车辆进入车站方式也将有所调整,旅客进站路线也将变动。
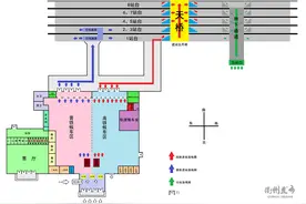
去衢州火车站的亲们注意了!今天,站前广场西侧小型停车场开始封闭,私家车不能进入停车。由于衢州火车站交通枢纽工程已开工建设,为确保车辆和乘客在工程建设期间顺畅出行,从本周六起,衢州火车站站前广场交通组织将进行小调整。(示意图,供参考。
各位小伙伴,衢州火车站要启用临时火车站。去哪儿乘坐高铁、普速列车,提前掌握吧!2月26日(后天)零点开始,衢州火车站将启用临时候车室。售票、候车等都将转入临时售票厅和候车室进行。伴随着这个变化,车站前的车辆停靠方式,旅客进站方式都有了变化。
本报讯(记者 龚诚良 通讯员 钱琪) 10月28日,记者从市资产经营公司了解到,从2015年11月1日起,衢州火车站站前停车场将纳入市区智能停车收费系统,以实现对停放车辆的有序、规范管理,引导社会合理用车、理性用车。同时,衢州火车站站前停车场收费标准也已出炉。
什么?!衢州火车站停车再也不免费了?!据市资产经营公司了解到,根据衢价费〔2014〕47号文件《关于规范衢州市区机动车停放服务收费管理的通知》,衢州火车站站前停车场收费标准已经出炉。从11月1日,也就是本周日开始,衢州火车站站前停车场将纳入市区智能停车收费系统并开始收费。
亲们,从昨天起,衢州火车站站前广场(以下简称“站前广场”)开始实施新的交通组织方案啦!新增9处电子警察、广场东西两侧停车场重新使用,要去火车站的司机盆友赶紧往下看!新变化看这里此次出台的站前广场交通组织新方案,最主要的变化之一是新增了9处高清电子警察。
昨日,记者从衢州火车站得知,7月1日起铁路调整列车运行图,衢州火车站新增19趟高铁列车,从衢州乘高铁即可直达福州、厦门、贵阳和黄山。(图片点击可放大)(PS.这个时刻表仅供参考,可能到7月1日还会有新变化,到时候要看车站公告。