写在开头朋友们大家好我是小书修电器,在家电维修的路上奋战将近七年,今天呢想把自己在维修微波炉方面的的经验和维修方法和常见故障解决方法总结下来,微波炉基本上每个家庭都有,我们平时都要来热菜热饭非常的方便,尤其是冬天用的频率很高,一旦损坏后我们怎么办呢?
随着生活水平的提高,一些家电产品也逐渐的进入到寻常百姓家庭。虽然给人们的生活带来了方便,但是它的副作用也必须注意。关于微波炉的使用一直有“微波致癌”的说法。其实这种说法是不科学的。事实上,微波是一种电磁波,使用它是造成辐射。
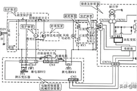
一张微波炉检测流程图,让我们能了解微波炉修理过程,因为画不下了,这里补充一下微波炉不加热,还要检查变压器的故障,我们可以用万用表测量变压器初级电阻,如果是几个欧姆是好的,不然线圈烧坏,再检测磁控管灯丝电阻0Ω是好的,检测高压线圈电阻100Ω上下是好的,不然换变压器。