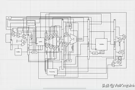
BGM:Running-Alexandre Desplat 来自《模仿游戏》原声此设计为NUAA-CCST-2020计算机组成原理课程设计题目:36/45指令 32位 MIPS CPU数据通路借此视频向计算机先驱们致敬。
北京时间10月22日,在今天凌晨在美国夏威夷举行的骁龙技术峰会上,高通正式发布了新一代旗舰移动平台骁龙8 Elite(骁龙8至尊版),即之前外界传闻的骁龙8 Gen 4。制程工艺方面,骁龙8 Elite预计将采用与联发科天玑9400一样的台积电第二代3nm制程,即N3E制程。
我们已发布深度报告《ChatGPT启新章,AIGC引领云硬件新时代》,初步量化测算了ChatGPT对算力、存储和流量需求的影响。陈昊 分析员 SAC 执证编号:S0080520120009 SFC CE Ref:BQS925。
3月31日,睿思芯科举行发布会推出新一代高性能灵羽处理器。据了解,灵羽处理器是中国首款全自研高性能RISC-V(开放指令架构)服务器芯片,在算力、能效和接口配置等方面均达到国际主流水平,满足高性能计算、全闪存储与DeepSeek等开源大语言模型的应用场景。
在 PCIe Retimer 芯片领域,公司是全球能够提供 PCIe 4.0 Retimer 芯片的三家企业之一,并且是全球第二家宣布量产 PCIe 5.0/CXL 2.0 Retimer 芯片的厂家;
本文讲解一个非常重要的性能调优方法,会涉及到CPU内部非常重要的一些基础知识,为讲解清楚,篇幅较长,请务必看完,你一定会有收获!一切都要从一个面试题说起!一道面试题有朋友私信给我,聊了下自己的一段面试经历,有这么一段代码:面试官:这段求阶乘的代码怎么样?答:挺简洁的,简单易懂。