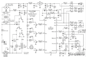
现在豆浆机已是家庭必不可少的小家电,用久了就出故障了。220V交流电经定位柱开关SB、保险管FU、工频变压器T变压,四个二极管D1、D2、D3、D4组成桥式整流,电容C1、C2滤波形成稳定的+12V直流电。
喝豆浆可以强身健体,可以防治高血压,可以防治癌症,可以防治冠心病、脑中风等,也可以养颜美容,正因为豆浆的营养价值高,所以豆浆已经成为很多人早餐比喝的饮品。近年来,随着豆浆食用价值的提升以及食品安全问题的突出,越来越多的人选择自制豆浆。
选购豆浆机需要看哪些参数?当选购豆浆机时,可以从以下几个方面进行分析和比较:品牌豆浆机的品牌也是一个非常重要的考虑因素。知名品牌的豆浆机往往更加耐用、安全、易维修,并且售后服务也更加有保障。目前市面上较为知名的豆浆机品牌有九阳、美的、苏泊尔、欧姆龙等。
我的第一台豆浆机是在12年初买的,相对来说算是比较晚接触豆浆机了。刚买豆浆机那段时间确实我们家餐桌上会经常出现各种豆浆,但后来铥生体检长了肾结石,医生让尽量少喝豆浆,所以此后很长一段时间豆浆机都处于闲置状态(科普,豆浆并非导致结石的直接原因哦,主要在于个人体质和生活习惯)。
健康生活从早餐开始,营养健康的早餐当然少不了豆浆,豆浆富含人体所需营养元素,很多人都爱喝,不过有相当一部分人喜欢冲豆浆粉,味道不错还很快捷,但从营养层面来说,它却比不上现打的豆浆,也有些人会在早餐摊点上购买,可是卫生没保障不说,味道也差之千里。
豆浆是中国人民喜爱的一种饮品,又是一种老少皆宜的营养食品,享有“植物奶”的美誉。豆浆机可以制作豆浆、果汁、米糊等营养饮料,对人体健康很有帮助,老年人多喝豆浆有益于身体健康,青少年喝豆浆有益于补充成长所需的多种营养。用豆浆机做豆浆是不是很容易呢,我们来看一看。
前言中国人的体质不太适合吸收牛奶,容易拉肚子,但豆浆就不会有这种副作用,而且营养又好喝,是中国人早餐的最佳选择。现在喝豆浆也是越来越方便了,用豆浆机几分钟就可以轻轻松松打出一杯豆浆来。不过,豆浆机依然有些问题尚待解决:打出来的豆浆往往带有很多豆渣,影响口感。