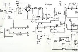
美的KFR-35GW/BP3N1型全直流变频空调外机外机电源输入与开关电源原理图如下图所示。外机板子的L、N接AC220V,经FU101保险管后并接了一只压敏电阻ZR1,该电阻能承受的瞬态电压值为620V,电源电路中如果瞬间串入高电压,如雷电等超过620V就会击穿短路,使FU101熔断从而保护之后的电路免受高压损坏。
美的空调义乌维修点8-55-26-152 义乌美的空调维修部义乌美的空调维修电话:85526152 义乌美的空调常见故障维修:(1) 空调器不制冷,空调器制冷不够,空调器运行噪音;(2) 空调器漏水、空调器漏电、空调风机不转;(3) 空调不制冷、空调不运行、空调过载保护;(4)