听壁脚,是上海人对喜欢窥探他人隐私行为的说词。其实在老式里弄,在72家房客的蜗居年代,逼仄的居住环境,家家户户的一些隐私是很难藏得住的,尤其是邻居家里吵架,不用在壁脚里听,只要长耳朵的都听得明明白白。 听壁脚是在暗中偷听,偷听者自有其内心的满足。而有一种听,叫作旁听。
21世纪经济报道 彭硕 北京报道全球新能源装机量高速增长,逆变器行业踏浪而行。近日,A股逆变器上市企业中共有6家披露了2022年业绩公告,全部翻倍增长。其中,“龙头”阳光电源(300274.SZ)预告净利润上限38亿元,成为逆变器行业净利润最高企业,昱能科技(688248.
到 2025 年,光伏 新增装机 330GW,存量替换 49GW,储能装机 80GW,分别对应集中式逆变器 178GW、组串式 逆变器 174GW、微型逆变器 28GW、储能逆变器 80GW,市场空间达 1367 亿元。
冬已至,雁南飞或途经,或留居或越冬,或繁殖“中国最美小鸟”之一栗喉蜂虎在海口五源河国家湿地公园里猎食蜻蜓。卢刚 摄蹁跹起舞间鸟鸣悠扬中海南又迎来观鸟好时节海南昌江海尾国家湿地公园记录到的鸟类有212种,其中国家一级保护鸟类3种,国家二级保护鸟类39种。
昨天,1941年12月7日,是一个耻辱的日子。这一天,美国遭到日本海军和空军蓄意的突然袭击。——富兰克林·罗斯福一、“我只是想成为你所爱的那一个”托马斯·欣曼·穆勒上尉只过了一天的消停日子,1941年12月6日。此前和此后,是无尽的飞行。
来源:环球网 一声春雷响,人间万物苏。今日,我们迎来惊蛰节气。惊蛰是二十四节气的第三个节气,反映自然生物受节律变化影响出现萌发生长的现象。惊蛰也是仲春开始的标识。《月令七十二候集解》记载:“万物出乎震,震为雷,故曰惊蛰,是蛰虫惊而出走矣。
眼瞅着这俄乌战争打了三年多了,从当初的准欧盟国家,到现在这番破败景象,乌克兰已经彻底失去未来了。然而,苏联解体后仅十年,乌克兰就把这些核弹销毁殆尽,从外人看来简直就是自废武功,愚蠢至极,但乌克兰这么干真的只是因为蠢吗?
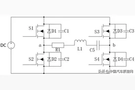
这里顺带说一嘴,网上大功率的逆变器销量靠前的大部分标注情况与前期作者分享过的移动LED灯一样,标注打了个擦边球,都是按照峰值电压标注,有明显的误导消费者的倾向,所以造成了使用与预期不相符的情况,所以才有海量的差评,当然也不排除里面有很多的真的是虚标的。